
sartorius纯水系列
赛多利斯airum? comfort II一体机系统采用新一代EDI电流连续去离子技术,连续生产高质量二级纯水,通过强效离子交换技术,生产ASTM一级超纯水。TOC含量≤2ppb,确保实验结果的可再现性,应用专利的iJust自动调节技术,提高原水的利用率,绿色环保。

优点

优化的、经济的水消耗量,回收率75%
可确保更长的下游超纯水系统的耗材寿命


HPLC、GC-MS,AAS,ICP-MS、TOC分析、光度测定、微生物培养基及试剂配制、组织学实验、细胞培养、分子生物学、IVF、蛋白纯化、电泳、生物化学、ELISA,RIA、物生物培养基缓冲液配制、实验仪器的进水:高压灭菌器、洗瓶机、恒湿箱、水浴等。

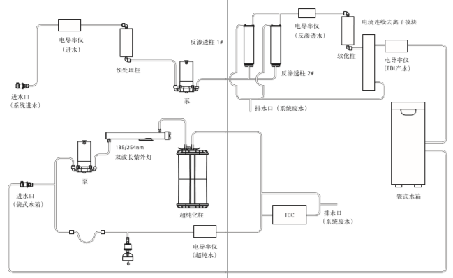
系统设计
1、连续生产高质量的二级纯水
除了预处理及反渗透技术以外,系统还提供了电流连续去离子技术作为第三种纯水纯化方案。得益于先进的EDI技术,airum? comfort II可安全可靠地去除各种污染物。
2、袋式水箱设计可靠方便
真空袋式的水箱设计,采用医疗器械级别材质,杜绝纯水在储存环节来自材质和外界环境的污染,保障纯水水质的稳定可靠,同时维护方便,节约时间。
3、极低的TOC有机物含量
可选配的185/254nm双波长紫外灯,在降低微生物污染的同时,还可将TOC有机物含量降至最低。产水TOC含量≤2ppb,保证了实验结果的可再现性和可靠性。
4、iJust自动调节技术
iJust是一种可优化制水过程的创新技术。airum? 智能软件可根据CaCO3和CO2的测量值控制排水口的阀门开启程度,从而优化产水质量以及水的消耗量。
广州格卢瑞实验器材有限公司作为sartorius(赛多利斯)纯水产品、移液产品、过滤产品、微生物检测产品,四大产品广东省、广西壮族自治区独家代理(科研、医疗),欢迎广大用户咨询更多详情内容。
联系电话
400-852-8526
邮箱
market@m.cbn440.cn
sales@m.cbn440.cn

更多资讯,请关注下方格卢瑞公众号

